Developer SE의 만남
💚전작시 유튜브💚
반응형
1
Developer SE의 만남
9&joon
분류 전체보기
(132)
안드로이드
(2)
Node.js
(4)
Python
(9)
Database & Data
(7)
MSSQL
(13)
MYSQL
(25)
ORACLE
(3)
Data
(11)
DataGrip
(6)
Tspider
(2)
R & R Studio
(2)
Jupyter Notebook
(5)
Grafana
(1)
테스트 & 자동화
(8)
AutoHotkey
(3)
Jmeter
(3)
DAP
(1)
기타
(14)
공구
(4)
WoodWorking
(2)
DA#5
(5)
Redmine
(4)
홈
카테고리
안드로이드
태그
미디어로그
위치로그
방명록
/
/
Profile
Aluminium Profile 과 bolt / nut
2023.08.27
Aluminium Profile 과 bolt / nut
2023. 8. 27. 20:30
반응형
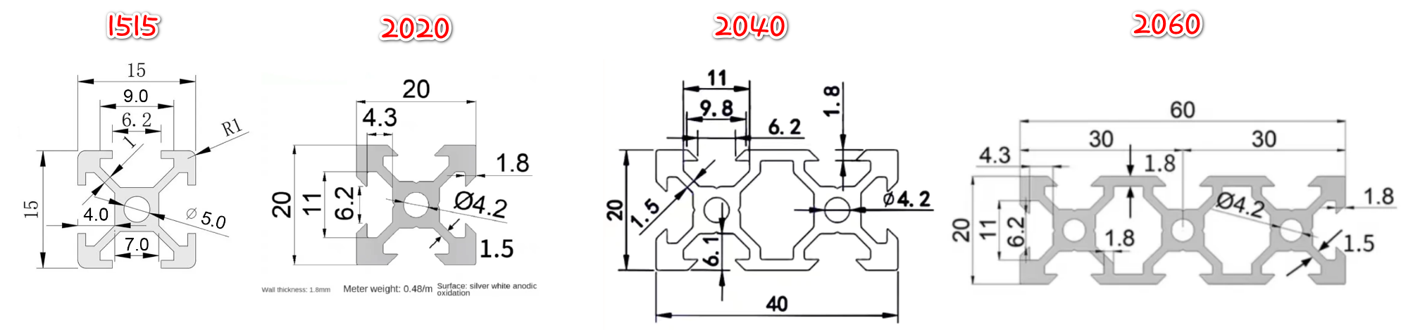
알루미늄 프로파일로 목공용 지그를 만들다 보니 제품에 따른 사이즈를 참고할 일이 많아서
저와 비슷한 분들을 위해서 정리하였습니다.
반응형
공유하기
게시글 관리
Developer SE의 만남
저작자표시
비영리
변경금지
(새창열림)
PREV
1
NEXT
+ Recent posts
Powered by
Tistory
, Designed by
wallel
Rss Feed
and
Twitter
,
Facebook
,
Youtube
,
Google+
티스토리툴바